Диагностика неисправностей
Работы проводить в соответствии с требованиями инструкции по охране труда для слесарей, действующей на предприятии.
Антиблокировочная система тормозов (АБС) является частью рабочей тормозной системы автомобиля и предназначена для автоматического регулирования степени проскальзывания колес в направлении их вращения во время торможения за счет изменения давления тормозной жидкости в рабочих тормозных цилиндрах с целью предотвращения потери управляемости и устойчивости автомобиля и повышения эффективности торможения.
АБС также выполняет функции распределения тормозных сил по осям автомобиля и распределения тормозных сил по бортам автомобиля при торможении в повороте.
В вариантном исполнении автомобили оснащаются электронной системой контроля устойчивости (ЭКУ), которая в любых дорожных условиях при отклонении автомобиля от заданной траектории движения автоматически притормаживает одно или несколько колес и, при необходимости, уменьшает крутящий момент двигателя, тем самым компенсируя отклонение и сохраняя устойчивость и управляемость автомобиля.
Система ЭКУ выполняет также функции АБС.
В состав антиблокировочной системы тормозов ABS 9.1 входят:
- гидроагрегат (ГА) АБС;
- два датчика скорости колеса (ДСК) переднего;
- два датчика скорости колеса (ДСК) заднего;
- два ротора передних колёс;
- два ротора задних колёс.
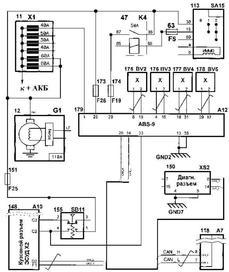
Схема электрических соединений АБС приведена на рисунке 1.
В состав электронной системы контроля устойчивости входят:
- гидроагрегат (ГА) ЭКУ;
- два датчика скорости колеса (ДСК) переднего;
- два датчика скорости колеса (ДСК) заднего;
- два ротора передних колёс;
- два ротора задних колёс;
- датчик угла поворота рулевого колеса в составе соединителя с устройством вращающимся;
- выключатель системы курсовой устойчивости.
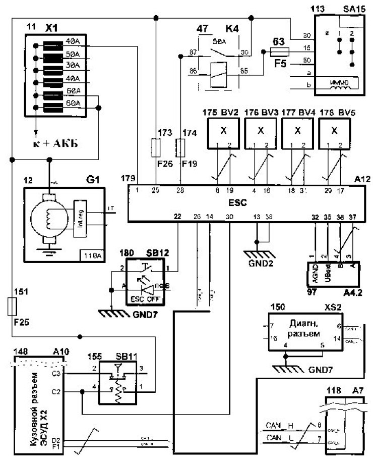
Схема электрических соединений системы ЭКУ приведена на рисунке 2.
На автомобилях с ABS 9.1 и ЭКУ реализован интерфейс обмена данными по шине CAN между электронным блоком управления (ЭБУ) гидроагрегата АБС / ЭКУ и другими устройствами автомобиля (контроллером ЭСУД, комбинацией приборов, колодкой диагностики и т.д.).
Рисунок 1 - Схема электрических соединений ABS 9.1: 11 - блок предохранителей основной; 47 - дополнительное реле; 113 - выключатель зажигания; 148 - контроллер ЭСУД; 151 - предохранитель 10 А (F25); 173 - предохранитель 25 А (F26); 175 - ДСК переднего левого; 177 - ДСК заднего левого; 179 - ЭБУ ГА АБС 12 - генератор; 63 - предохранитель 7,5 А (F5); 118 - комбинация приборов; 150 - колодка диагностики; 155 - выключатель сигнала торможения; 174 - предохранитель 10 А (F19); 176 - ДСК переднего правого; 178 - ДСК заднего правого;
Рисунок 2 - Схема электрических соединений ЭКУ: 11 - блок предохранителей основной; 12 - генератор; 47 - дополнительное реле; 63 - предохранитель 7,5 А (F5); 97 - датчик угла поворота рулевого колеса; 113 - выключатель зажигания; 118 - комбинация приборов; 148 - контроллер ЭСУД; 150 - колодка диагностики; 151 - предохранитель 10 А (F25); 155 - выключатель сигнала торможения; 173 - предохранитель 25 А (F26); 174 - предохранитель 7,5 А (F19); 175 - ДСК переднего левого; 176 - ДСК переднего правого; 177 - ДСК заднего левого; 178 - ДСК заднего правого; 179 - - ЭБУ ГА ЭКУ 180 - выключатель системы курсовой устойчивости
Гидроагрегат (ГА) АБС конструктивно состоит из электронного блока управления (ЭБУ) и гидромодулятора, содержащего электромагнитные клапаны (ЭМК), возвратный насос и электродвигатель возвратного насоса (ЭВН).
В состав ГА ЭКУ также входит датчик давления ЭКУ, датчик поперечного ускорения, датчик продольного ускорения, датчик углового ускорения, инерционный датчик ускорения.
Датчики скорости колёс (ДСК) вырабатывают сигналы о скорости каждого колеса автомобиля, которые передаются в электронный блок управления гидроагрегата. Электронный блок управления производит логическую обработку сигналов о скорости колес и в зависимости от их состояния (чрезмерное ускорение или замедление колеса) направляет управляющие команды к гидромодулятору. Гидромодулятор по полученным командам, включая или отключая электромагнитные клапаны, снижает, повышает или удерживает постоянным давление тормозной жидкости в колесных тормозных цилиндрах, обеспечивая тем самым оптимальное регулирование тормозных сил. При снижении давления излишняя тормозная жидкость перекачивается возвратным насосом в главный тормозной цилиндр.
Назначение контактов разъемов ГА АБС и ГА ЭКУ приведено в таблицах 1-2.
Таблица 1 - Назначение контактов разъёма ГА АБС
| Контакт | Цепь |
| 1 | К клемме "30" (Напряжение питания ЭВН гидроагрегата) |
| 4 | Вход сигнала переднего правого ДСК |
| 8 | Вход сигнала переднего левого ДСК |
| 13 | "Масса" (Общий провод питания ЭВН гидроагрегата) |
| 14 | Вход / выход. Шина CAN (L - линия) |
| 16 | Выход напряжения питания переднего правого ДСК |
| 17 | Выход напряжения питания заднего правого ДСК |
| 18 | Вход сигнала заднего левого ДСК |
| 19 | Выход напряжения питания переднего левого ДСК |
| 25 | К клемме "30" (Напряжение питания ЭМК гидроагрегата) |
| 26 | Вход / выход. Шина CAN (H - линия) |
| 28 | К клемме "15" (Напряжение питания ЭБУ гидроагрегата) |
| 29 | Вход сигнала заднего правого ДСК |
| 30 | Вход от выключателя сигнала торможения |
| 31 | Выход напряжения питания заднего левого ДСК |
| 38 | "Масса" (Общий провод питания ЭМК и ЭБУ гидроагрегата) |
Таблица 2 - Назначение контактов разъёма ГА ЭКУ
| Контакт | Цепь |
| 1 | К клемме "30" (Напряжение питания ЭВН гидроагрегата) |
| 4 | Вход сигнала переднего правого ДСК |
| 8 | Вход сигнала переднего левого ДСК |
| 13 | "Масса" (Общий провод питания ЭВН гидроагрегата) |
| 14 | Вход / выход. Шина CAN (L - линия) |
| 16 | Выход напряжения питания переднего правого ДСК |
| 17 | Выход напряжения питания заднего правого ДСК |
| 18 | Вход сигнала заднего левого ДСК |
| 19 | Выход напряжения питания переднего левого ДСК |
| 22 | Вход от выключателя системы курсовой устойчивости ESC |
| 25 | К клемме "30" (Напряжение питания ЭМК гидроагрегата) |
| 26 | Вход / выход. Шина CAN (H - линия) |
| 28 | К клемме "15" (Напряжение питания ЭБУ гидроагрегата) |
| 29 | Вход сигнала заднего правого ДСК |
| 30 | Вход от выключателя сигнала торможения |
| 31 | Выход напряжения питания заднего левого ДСК |
| 32 | Выход к общему проводу датчика угла поворота рулевого колеса |
| 35 | Выход напряжения питания датчика угла поворота рулевого колеса |
| 36 | Вход SASB от датчика угла поворота рулевого колеса |
| 37 | Вход SASA от датчика угла поворота рулевого колеса |
| 38 | "Масса" (Общий провод питания ЭМК и ЭБУ гидроагрегата) |
Состояние АБС контролируется сигнализаторами неисправности, расположенными в комбинации приборов: сигнализатором АБС (символ СЭ оранжевого цвета) и сигнализатором диагностики электронного распределения тормозных сил (символ CD красного цвета).
Состояние ЭКУ контролируется сигнализаторами неисправности, расположенными в комбинации приборов: сигнализатором АБС (символ оранжевого цвета), сигнализатором диагностики электронного распределения тормозных сил (символ CD красного цвета), сигнализатором ЭКУ (символ ESC оранжевого цвета), сигнализатором отключения ЭКУ (символ ESC OFF оранжевого цвета).
При включении зажигания в ЭБУ ГА включается режим самодиагностики АБС / ЭКУ длительностью около 2 с. При этом включаются все сигнализаторы. После прохождения самодиагностики, в случае отсутствия неисправностей в системе, сигнализаторы неисправностей должны выключится.
При наличии или возникновении (в ходе эксплуатации автомобиля) неисправности в системе АБС / ЭКУ электронный блок управления гидроагрегата включает соответствующий сигнализатор диагностики.
Управление сигнализаторами производится по шине CAN.
Коды неисправностей и параметры проведения диагностики АБС приведены в таблице 3, ЭКУ - в таблице 4.
