




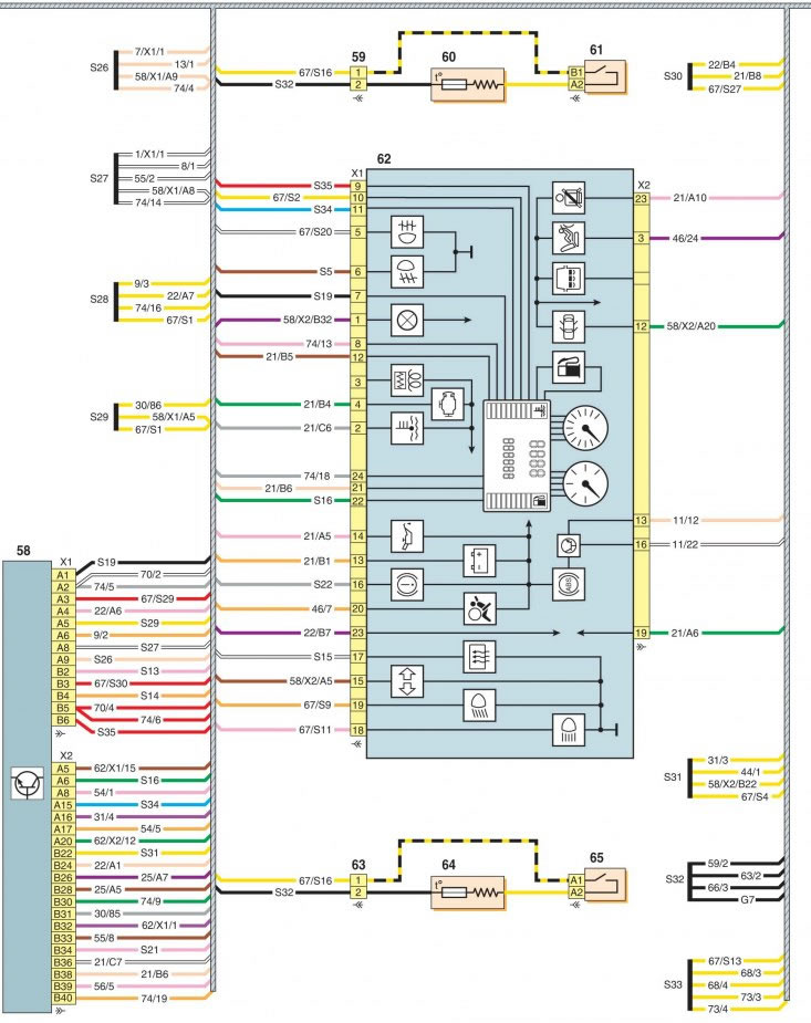
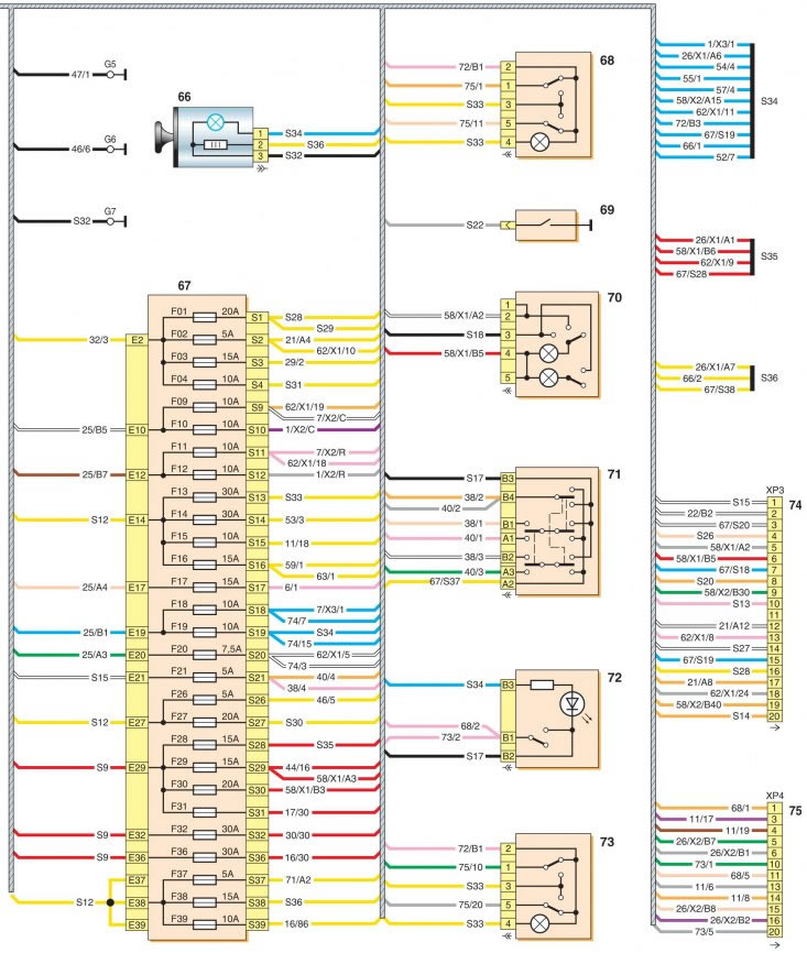
А - место перехода жгута проводов из моторного отсека в салон; 1 - правая блок-фара; 2 - правая противотуманная фара; 3 - колодка соединения со жгутом проводов противотуманных фар; 4 - левая противотуманная фара; 5 - правый звуковой сигнал высокого тона; 6 - левый звуковой сигнал низкого тона; 7 - левая блок-фара; 8 - правый боковой указатель поворота; 9 - очиститель ветрового стекла; 10 - омыватель стекол; 11 - блок управления ABS; 12 - датчик уровня тормозной жидкости; 13 - левый боковой указатель поворота; 14 - датчик скорости вращения правого переднего колеса; 15 - блок репе и предохранителей в моторном отсеке; 16 - реле вентилятора отопителя; 17 - реле противотуманных фар; 18, 19 - предохранители в блоке реле и предохранителей в моторном отсеке; 20 - датчик скорости вращения левого переднего колеса; 21 - колодка соединения со жгутом проводов двигателя; 22 - правый подрулевой переключатель; 23 - подушка безопасности водителя; 24 - спиральный кабель; 25 - левый подрулевой переключатель; 26 - колодки подключения к аудиосистеме; 29 - выключатель сигналов торможения; 30 - репе обогрева стекла двери багажного отделения; 31 - катушка иммобилайзера; 32 - колодка соединения со жгутом проводов выключателя зажигания; 33 - выключатель зажигания; 34 - электропривод замка правой передней двери; 35 - стеклоподъемник правой передней двери; 36 - правый передний динамик; 37 - правое наружное зеркало; 38 - колодка соединения с правым наружным зеркалом; 39 - левое наружное зеркало; 40 - колодка соединения с левым наружным зеркалом; 41 - левый передний динамик; 42 - стеклоподъемник левой передней двери; 43 - электропривод замка левой передней двери; 44 - колодка диагностики; 45 - крышка колодки диагностики с перемычкой; 46 - блок управления подушками безопасности; 47 - колодка соединения со жгутом проводов вентилятора отопителя; 48 - вентилятор отопителя; 50 - блок дополнительных резисторов вентилятора отопителя; 51 - блок управления вентиляцией, отоплением и кондиционированием; 52 - колодка соединений со жгутом проводов подушки безопасности переднего пассажира и освещения вещевого ящика; 53 - выключатель стеклоподъемника правой передней двери; 54 - выключатель центрального замка; 55 - выключатель аварийной сигнализации; 56 - выключатель обогрева стекла двери багажного отделения; 57 - выключатель стекпоподьемника левой передней двери; 58 - коммутационный блок; 59 - колодка соединения со жгутом обогревателя правого переднего сиденья; 60 - элемент обогрева правого переднего сиденья; 61 - выключатель обогрева правого переднего сиденья; 62 - комбинация приборов; 63 - колодка соединения со жгутом обогревателя левого переднего сиденья; 64 - элемент обогрева левого переднего сиденья; 65 - выключатель обогрева левого переднего сиденья; 66 - прикуриватель; 67 - блок предохранителей в салоне; 68 - выключатель стеклоподъемника правой задней двери; 69 - выключатель сигнализатора включения стояночного тормоза и неисправности тормозной системы; 70 - плафон освещения салона: 71 - регулятор управления электроприводами наружных зеркал: 72 - выключатель блокировки задних стеклоподъемников: 73 - выключатель стеклоподъемника левой задней двери; 74, 75 - колодки соединения с задним жгутом проводов кузова
